Under brand name of "JIKSAN" our "JRG" Series Positive displacement external Rotary Gear Pumps are most efficient and economic range with variety of materials, which has special features and easy to maintain. The pumps are ideal for handling of Oils and Viscous liquids like all kinds of fuel Oils, Mineral oil, Lubricating Oils, Fish & animal Oils, Vegetable Oils, Tar, Asphalt, Sugar Syrups, Molasses, Starch, Inks, Paints, Color, varnishes And Viscous Chemicals Etc.
| Pump Model |
Suction & Delivery (Screw End) |
Capacity at 1440 RPM |
Recommended Motor BHP At Different Pressure / Head Kg/Cm2 with 1500 SSU Viscosity |
Wt. of Bare pump in kg. (Aprox) |
|
|
LPM |
US GPM |
M3/hr |
kg / cm2 |
1 |
2 |
3 |
4 |
5 |
6 |
7 |
8 |
9 |
10 |
|
| Meter |
10 |
20 |
30 |
40 |
50 |
60 |
70 |
80 |
90 |
100 |
| JRG - 50 |
1/2" 1/2" |
20 |
5.3 |
1.2 |
KW |
0.30 |
0.35 |
0.40 |
0.45 |
0.50 |
0.55 |
0.60 |
0.65 |
0.70 |
0.75 |
2.6 |
| HP |
0.5 |
0.75 |
1.10 |
| JRG - 75 |
3/4" 3/4" |
30 |
7.92 |
1.8 |
KW |
0.37 |
0.45 |
0.54 |
0.62 |
0.69 |
0.77 |
0.85 |
0.92 |
1.01 |
1.09 |
4.6 |
| HP |
0.75 |
1.0 |
1.5 |
| JRG - 100 |
1" 1" |
50 |
13.2 |
3.0 |
KW |
0.40 |
0.50 |
0.60 |
0.75 |
0.89 |
1.04 |
1.17 |
1.3 |
1.46 |
1.59 |
6.0 |
| HP |
1.0 |
1.5 |
2.0 |
| JRG - 125 |
1/1/4" x 1/1/4" |
75 |
19.8 |
4.5 |
KW |
0.7 |
1.0 |
1.2 |
1.4 |
1.5 |
1.9 |
1.95 |
2.15 |
2.35 |
2.55 |
7.6 |
| HP |
1.5 |
2.0 |
3.0 |
| JRG - 150 |
1/1/2" x 1/1/2" |
110 |
29.0 |
6.6 |
KW |
1.05 |
1.45 |
1.95 |
2.10 |
2.40 |
2.65 |
2.95 |
3.25 |
3.60 |
3.75 |
10.5 |
| HP |
2.0 |
3.0 |
5.0 |
| JRG - 200 |
2" x 2" |
225 |
59.4 |
13.5 |
KW |
2.0 |
2.5 |
3.2 |
3.75 |
4.3 |
4.45 |
5.6 |
6.2 |
6.9 |
7.11 |
19.0 |
| HP |
3.0 |
5.0 |
7.5 |
| JRG - 250 |
2/1/2" x 2/1/2" |
350 |
92.4 |
21.0 |
KW |
4.15 |
5.2 |
6.1 |
7.3 |
8.2 |
9.1 |
10.3 |
11.2 |
12.1 |
12.25 |
31.0 |
| HP |
5.0 |
10.0 |
12.5 |
| JRG - 300 |
3" x 3" |
500 |
131.6 |
30.0 |
KW |
4.5 |
6.6 |
8.4 |
9.9 |
11.1 |
12.1 |
13.0 |
13.9 |
14.9 |
15.9 |
38.5 |
| HP |
10 |
15 |
20 |
MATERIAL OF CONSTURUCTION STANDARD (OPTIONAL)
| Pump Body |
IS 210 FG220 C.I. GRADED/(M.S., S.S., BRONZE) |
| Front Cover |
C.I. GRADED/(EN-24,36,S.S.) |
| Back Cover |
C.I. GRADED/(EN-24,36,S.S.) |
| Seal |
NEOPRENE/ (TEFLON MECH,VITON) |
| Gears |
EN-8 HELICAL / (EN-24,36,S.S.) |
| Shaft |
EN-19 / (EN-24,36,S.S.) |
| Bush Bearing |
BRONZE / (PTFE) |
| Mounting Bracket |
C.I. Gr.-20 IS 210 |
| Pressure Relief Valve will be provided in all Models. |
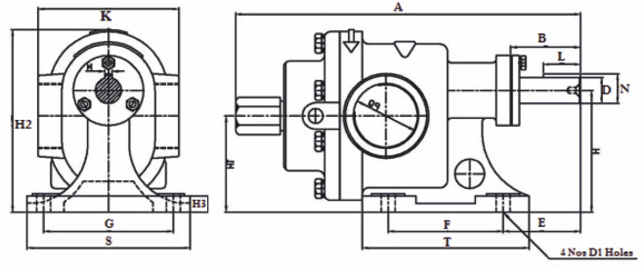
| Model |
A |
B |
E |
F |
G |
S |
T |
H |
H1 |
H2 |
H3 |
L |
M |
N |
D |
D1 |
K |
PQ |
| JRG - 50 |
172 |
46 |
51 |
40 |
70 |
90 |
70 |
63 |
50 |
90 |
6 |
22 |
4 |
13.5 |
12 |
8 |
70 |
1/2" BSP |
| JRG - 75 |
216 |
54 |
63.5 |
45 |
85 |
110 |
80 |
80 |
66 |
115 |
8 |
25 |
5 |
16.0 |
14 |
10 |
90 |
3/4" BSP |
| JRG - 100 |
236 |
64 |
64.5 |
50 |
93 |
125 |
95 |
90 |
73 |
128 |
8 |
27.5 |
5 |
19.5 |
17 |
10 |
86 |
1" BSP |
| JRG - 125 |
266 |
70 |
65 |
60 |
105 |
140 |
110 |
100 |
79 |
140 |
10 |
32 |
6 |
22.5 |
20 |
12 |
100 |
1/1/4" BSP |
| JRG - 150 |
290 |
75 |
80 |
70 |
115 |
150 |
130 |
110 |
88 |
155 |
12 |
35 |
6 |
24.5 |
22 |
12 |
108 |
1/1/2" BSP |
| JRG - 200 |
360 |
98 |
92 |
100 |
140 |
180 |
160 |
132 |
105 |
192 |
15 |
40 |
8 |
28 |
25 |
15 |
142 |
2" BSP |
| JRG - 250 |
420 |
110 |
110 |
120 |
155 |
200 |
185 |
145 |
114 |
215 |
18 |
45 |
8 |
31 |
28 |
15 |
160 |
2/1/2" BSP |
| JRG - 300 |
457 |
100 |
105 |
155 |
175 |
220 |
225 |
165 |
130.5 |
241 |
20 |
50 |
10 |
35 |
32 |
15 |
190 |
3" BSP |