The INTERNAL GEAR pumps are based on the proven rotary trochoidal design - gerotor principle. The pumps are designed to meet
specific demands of OEM's. The reliable performance of the JIG series makes them anideal choice for various industrial applications.
SPECIAL EXECUTIONS
- Specially coated internals for pumping of non-lubricating liquids.
- Engineering plastics rotor set for chemicals & low viscosity fluids
- Specially designed pumps for vacuum duty applications
- Uni-directional
ADVANTAGES OF INTERNAL GEAR PUMPS
- Single shaft-well supported at both ends
- High suction lift and low noise level as well as vibrations
- High volumetric and overall efficiency
- Continuous, pulsation free flow due to axial entry in pumping element
- Compact and light-weight design
- Ease of assembling and dismantling without disturbing the pipeline.
- Choice of oil seal / Mechanical seal/gland pack.
- Parts / Pumps interchangeable with well known brands.
TYPICAL APPLICATION
- Transfer from tank to tank
- Emptying of barrels
- Lubricating and cooling of bearings, gears, Mechanical seals and machine tools
- Fuel oil booster
LIQUIDS HANDLED
- Fuel oil
- Lube Oil
- Neutral liquids with lubricating properties
APPLICATIONS
- Filter pumping
- Pressure and transfer pump
- Pump for PHF units
- Pump for force feed lubrication
- Booster pump for diesel locomotive
- Oil burner
- Hydraulic drive and pressure pump - for gas oil, medium. Heavy and very heavy oil
- Transformers
- Boilers
- Vegetable oil processing
- Furnaces
- Suitable for LDO, FO, HSD & LSHS
Performance table (JIG Series)
| Model |
Inlet Outlet Sizes |
Capacity in LPH |
Speed RPM |
Recommended Motor HP |
|
|
|
|
5 kg/Cm2 |
15 kg/Cm2 |
30 kg/Cm2 |
| JIG-150 |
1/2" x 1/2" BSP |
150 |
1440 |
0.25 HP |
0.75 HP |
1.5 HP |
| JIG-300 |
300 |
0.25 HP |
0.75 HP |
1.5 HP |
| JIG-450 |
450 |
0.50 HP |
1 HP |
2 HP |
| JIG-600 |
600 |
0.50 HP |
1 HP |
2 HP |
| JIG 1000 |
3/4" x 3/4" BSP |
1000 |
0.75 HP |
2 HP |
3 HP |
| JIG 1500 |
1500 |
0.75 HP |
2 HP |
3 HP |
| JIG 2000 |
2000 |
1 HP |
3 HP |
5 HP |
| JIG 2500 |
2500 |
1 HP |
3 HP |
5 HP |
MATERIAL OF CONSTURUCTION
| Pump Body |
C.I. GR 25 |
| Shafted Rotor |
EN-31 H & G |
| Eccentric Cover |
C.I. GR 25 |
| Idler Gear |
EN-31 H & G |
| Mechinical Seal Housing |
MS |
| Wear Plate |
PH-BRONZE |
- Normal flow at 1440 or 2880 RPM with oil viscosity 32 CST at 37.5°C at normal working temperature and 10 kg/cm pressure
- igher or lower pressure on request.
- Direction of rotation as viewed from shaft end.
- L-anti clockwise
- R-clockwise
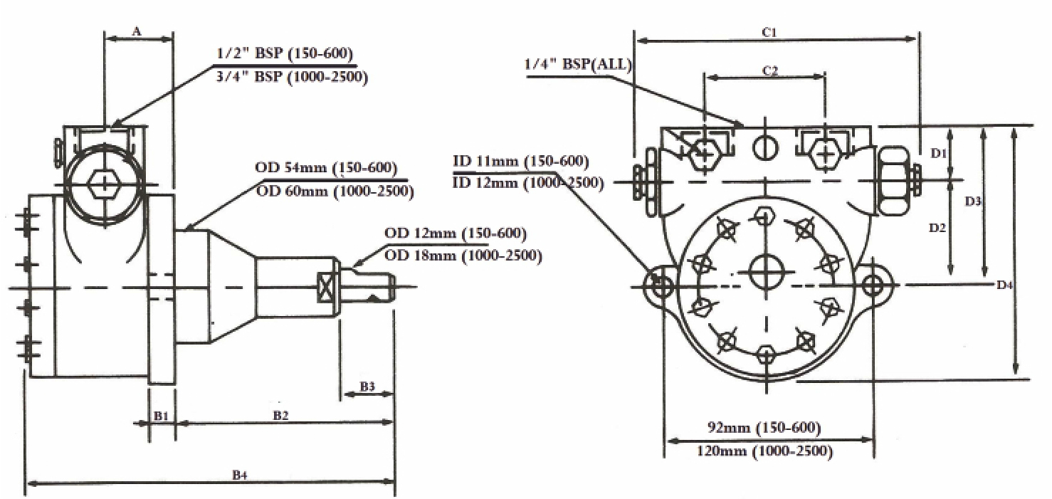
Dimensional Drawing Details
| Model |
Flow in L/H |
A |
B1 |
B2 |
B3 |
B4 |
C1 |
C2 |
D1 |
D2 |
D3 |
D4 |
|
1400 RPM |
2880 RPM |
|
|
|
|
|
|
|
|
|
|
|
| JIG |
150-600 |
300-900 |
30 |
13 |
77 |
25 |
146 |
139 |
44 |
27 |
48 |
75 |
115 |
| JIG |
1000-2500 |
- |
39 |
15 |
124 |
29 |
211 |
162 |
67 |
35 |
55 |
90 |
140 |
Download PDF